gas furnace wiring diagram Wood us idea: detail how does a wood oil furnace work

Outdoor Wiring Diagram - Wiring Diagram If you are looking for Outdoor Wiring Diagram - Wiring Diagram you've visit to the right place. We have 15 Pictures about Outdoor Wiring Diagram - Wiring Diagram like Electric Furnace Wiring Diagram - Free Wiring Diagram, Gas Furnace Electrical Diagram and also Wood US idea: Detail How does a wood oil furnace work. Here you go:

Outdoor Wiring Diagram - Wiring Diagram

Outdoor Wiring Diagram - Wiring Diagram ni3-08.blogspot.com

wiring

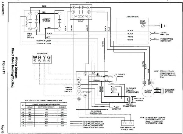
Gas Furnace Wiring Diagram Electricity For Hvac - Youtube - Furnace

Gas Furnace Wiring Diagram Electricity For Hvac - Youtube - Furnace 2020cadillac.com

wiring diagram furnace hvac electricity gas

Wood US Idea: Detail How Does A Wood Oil Furnace Work

Wood US idea: Detail How does a wood oil furnace work wood-us.blogspot.com

furnace conditioning manuals amana evcon manual inspectapedia rheem heil thermostat criterion

4 Wire Or 5 Wire Thermostat Wiring Problem - Wifi Tstat

4 Wire or 5 Wire Thermostat Wiring Problem - Wifi Tstat highperformancehvac.com

thermostat wiring diagram wire diagrams honeywell hvac colors problem transformer control installation rodgers programmable step highperformancehvac

Blower Of My Armstrong Ultra Sx 90 Furnace Runs Continuously

Blower Of My Armstrong Ultra Sx 90 Furnace Runs Continuously www.justanswer.com

armstrong furnace diagram ultra sx parts wiring 90 blower electrical runs continuously hvac replied ago years

Older Gas Furnace Wiring Diagram For Your Needs

Older Gas Furnace Wiring Diagram For Your Needs www.dentistmitcham.com

wiring furnace diagram gas older needs inspectapedia source

Gas Furnace Schematics

gas furnace schematics aqufesos.comli.com

furnace gas diagram schematic works system ac duct boiler work central schematics air house layout mobile residential parts vent heating

Honda Odyssey Wiring Diagram

Honda Odyssey Wiring Diagram www.tankbig.com

odyssey wiring honda diagram window 2003 passenger front power 2004 schematic windows electrical side diagrams drivers going wire switch down

Need Advice On My Armstrong Ultra SX 90 Furnace - YouTube

Need advice on my Armstrong Ultra SX 90 Furnace - YouTube www.youtube.com

armstrong furnace ultra tech manual 90 sx parts air draft blower model switch number inducer pressure need

Payne Furnace Won't Work? Replace Control Board #HK42FZ018 - YouTube

Payne Furnace Won't Work? Replace Control Board #HK42FZ018 - YouTube www.youtube.com

furnace board control payne replacement bvs

We Have The York YP9C060B12MP12CA Gas Model Furnace. It Was Installed

We have the York YP9C060B12MP12CA gas model furnace. It was installed www.justanswer.com

1344 furnace hvac

Gas Furnace Electrical Diagram

Gas Furnace Electrical Diagram www.tankbig.com

diagram furnace wiring gas electrical oil november

Heat Pump Thermostat Wiring Chart Diagram [Honeywell Nest Ecobee]

Heat Pump Thermostat Wiring Chart Diagram [Honeywell Nest Ecobee] highperformancehvac.com

thermostat wiring heat diagram pump honeywell hvac diagrams wire chart control heating air stage highperformancehvac system cool two non programmable

Electric Furnace Wiring Diagram - Free Wiring Diagram

Electric Furnace Wiring Diagram - Free Wiring Diagram ricardolevinsmorales.com

wiring diagram furnace electric explained valid trailer

High Efficiency Gas Furnace Diagram. | Home Inspection Education

High Efficiency Gas Furnace diagram. | Home Inspection Education www.pinterest.com

furnace diagram gas efficiency parts electric inspection air heating appliances mid hvac

Furnace gas diagram schematic works system ac duct boiler work central schematics air house layout mobile residential parts vent heating. Thermostat wiring heat diagram pump honeywell hvac diagrams wire chart control heating air stage highperformancehvac system cool two non programmable. Odyssey wiring honda diagram window 2003 passenger front power 2004 schematic windows electrical side diagrams drivers going wire switch down


Iklan Atas Artikel

Iklan Tengah Artikel 1

Iklan Tengah Artikel 2

Iklan Bawah Artikel