earth fault relay connection Delab dp-31 earth fault relay – g.s. electrical

T2800 Overcurrent or Ground Fault Relay, Din-Rail Mounted, SELCO USA If you are looking for T2800 Overcurrent or Ground Fault Relay, Din-Rail Mounted, SELCO USA you've came to the right page. We have 15 Pictures about T2800 Overcurrent or Ground Fault Relay, Din-Rail Mounted, SELCO USA like Combined Overcurrent & Earth Fault Relays – Mikro MSC Bhd, Directional Earth Fault Relay and also Restricted Earth Fault Protection System - Explanation & Working. Here it is:

T2800 Overcurrent Or Ground Fault Relay, Din-Rail Mounted, SELCO USA

T2800 Overcurrent or Ground Fault Relay, Din-Rail Mounted, SELCO USA selcousa.com

overcurrent t2800 ground

Restricted Earth Fault Protection 64R Working Transformer | Electrical4u

Restricted Earth Fault Protection 64R Working Transformer | Electrical4u www.electrical4u.net

fault earth protection restricted 64r relay transformer working connection standby electrical4u 51n operation arrangement electrical ground

CBCT Connection | CBCT & ELR Relay / Earth Fault Relay And CBCT | CBCT

CBCT Connection | CBCT & ELR Relay / Earth Fault Relay and CBCT | CBCT www.youtube.com

cbct elr fault

Earth Fault Relay, पृथ्वी फॉल्ट रिले - Naveen Udyog Hyd, Secunderabad

Earth Fault Relay, पृथ्वी फॉल्ट रिले - Naveen Udyog hyd, Secunderabad www.indiamart.com

relay fault earth indiamart

Earth Fault Relay Making Connections - YouTube

Earth Fault Relay Making Connections - YouTube www.youtube.com

fault relay earth

WAZIPOINT

WAZIPOINT www.wazipoint.com

leakage

Earth Fault Relay At Best Price In Nashik, Maharashtra | Gogate Sales

Earth Fault Relay at Best Price in Nashik, Maharashtra | Gogate Sales www.tradeindia.com

fault relay earth

Connections Of Overcurrent Relay (part 2)

Connections Of Overcurrent Relay (part 2) electrical-engineering-portal.com

relay overcurrent fault earth protection connection current over electrical connections nos part relays gif scheme

Restricted Earth Fault Protection System - Explanation & Working

Restricted Earth Fault Protection System - Explanation & Working circuitglobe.com

fault earth protection restricted star relay neutral diagram transformer wiring side circuit connected explanation system working source protected shown below

Delab DP-31 Earth Fault Relay – G.S. Electrical

Delab DP-31 Earth Fault Relay – G.S. Electrical gse2u.com

delab systems

Unrestricted Earth Fault Protection Working Priciple | Electrical4u

Unrestricted Earth Fault Protection Working Priciple | Electrical4u www.electrical4u.net

fault earth relay unrestricted protection working priciple line current connected transformer electrical4u

Earth Leakage Relay (ELR)

Earth Leakage Relay (ELR) www.electricalclassroom.com

elr leakage breaker mccb fault undervoltage cbct acb mcb

Combined Overcurrent & Earth Fault Relays – Mikro MSC Bhd

Combined Overcurrent & Earth Fault Relays – Mikro MSC Bhd itmikro.com.my

fault overcurrent relays mikro

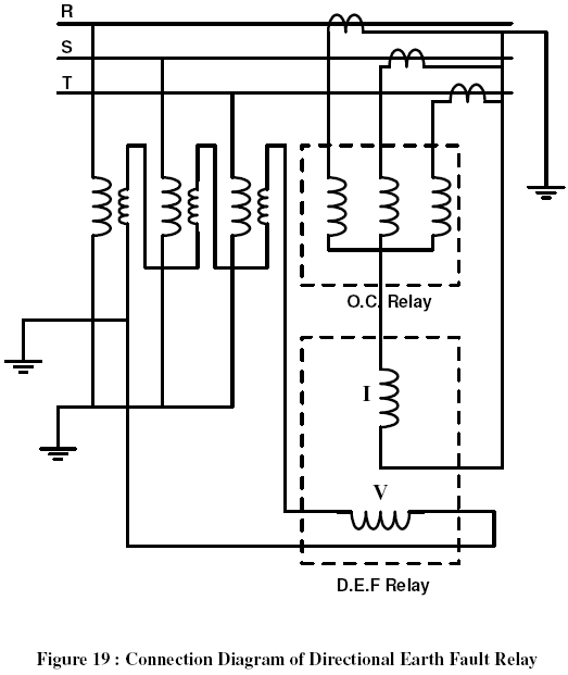
Directional Earth Fault Relay

Directional Earth Fault Relay power-systems-protection.blogspot.com

fault relay earth directional protection connection diagram transformer power system

NX202A – Earth Fault Relay – Mikro MSC Bhd

NX202A – Earth Fault Relay – Mikro MSC Bhd itmikro.com.my

fault

Earth fault relay at best price in nashik, maharashtra. Restricted earth fault protection 64r working transformer. Nx202a – earth fault relay – mikro msc bhd


Iklan Atas Artikel

Iklan Tengah Artikel 1

Iklan Tengah Artikel 2

Iklan Bawah Artikel